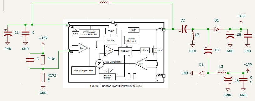
Schematic

Powerful use of kicad 9’s new feature of pasting images in schematics:

Waveforms

Turn on transient

So the -15V supply is basically unregulated, that’s nice. Allegedly though even when the loads are pretty unbalanced it’s mostly fine.

Powerful use of kicad 9’s new feature of pasting images in schematics:



So the -15V supply is basically unregulated, that’s nice. Allegedly though even when the loads are pretty unbalanced it’s mostly fine.